产品中心

产品中心

万森是一家专业开发、设计和生产X射线管及配套设备的高科技企业

基本参数

主要参数

 

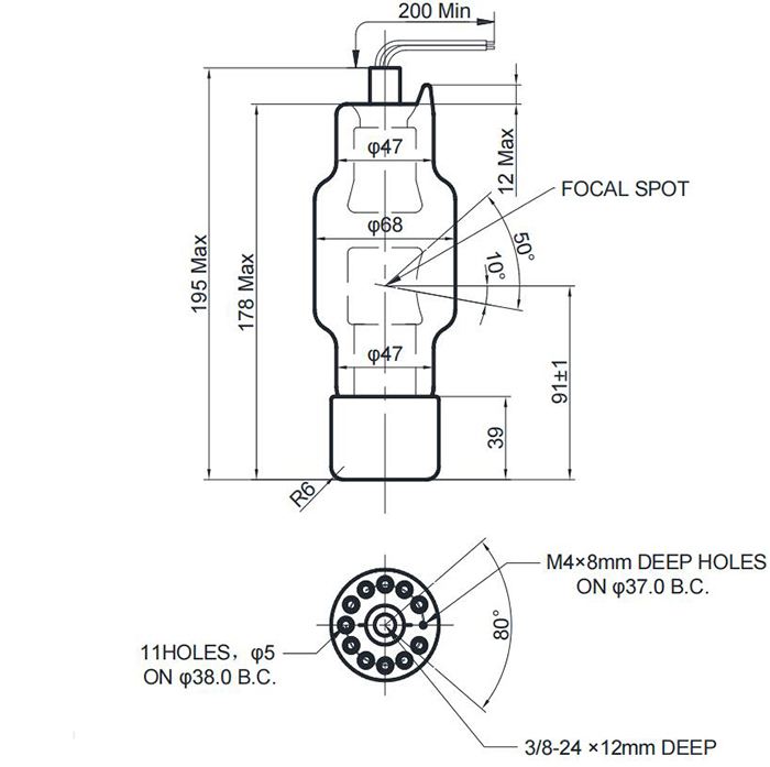
焦点标称值

0.8mm

额定功率

500W

额定电压

160kV

管电流

3mA

灯丝电压

3.5±0.2V

灯丝电流

3.7±0.2A

固有滤过

0.8Be,1.7±0.25玻璃

射线束角度

50°*80°

阳极靶角

10°

靶面材料

散热器材料

/


产品说明书