产品中心

产品中心

万森是一家专业开发、设计和生产X射线管及配套设备的高科技企业

基本参数

主要参数

 

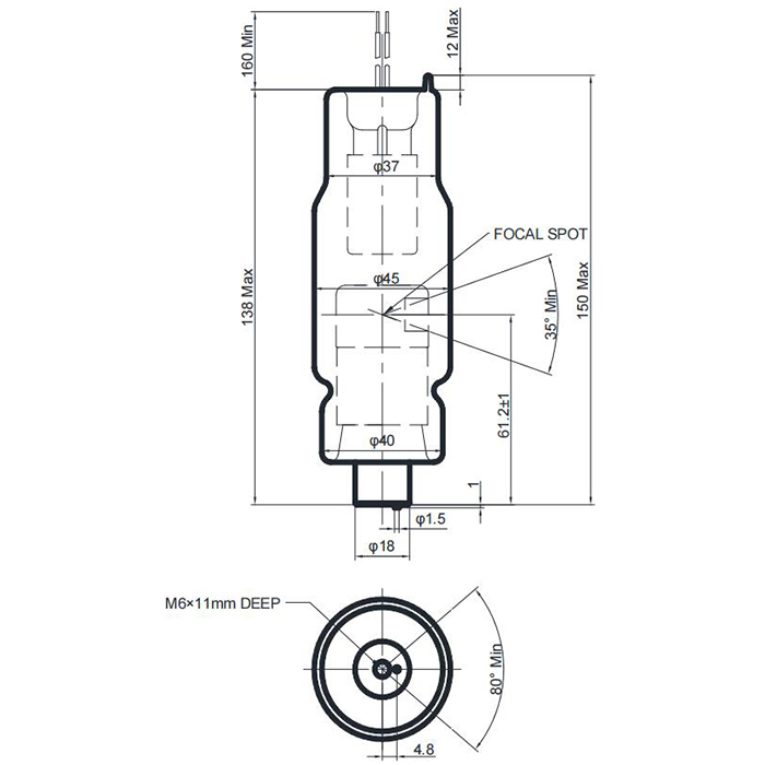
焦点标称值

0.5mm

额定功率

200W

额定电压

100kV

管电流

2mA

灯丝电压

2.0±0.2V

灯丝电流

3.0±0.2A

固有滤过

0.8Be,1.7±0.25玻璃

射线束角度

35°*80°

阳极靶角

20°

靶面材料

散热器材料


产品说明书