产品中心

产品中心

万森是一家专业开发、设计和生产X射线管及配套设备的高科技企业

基本参数

主要参数

 

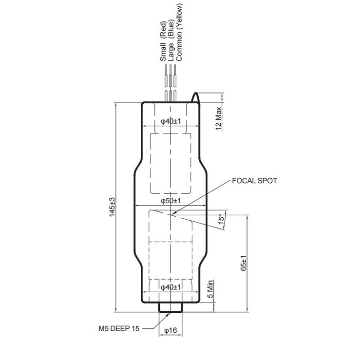
型号

XD23-0.6/1.8-125

焦点标称值(mm

0.6/1.8

额定功率W

1100/5000

(0.1s)

额定电压kV

125

靶角(°)

15

阳极热容(kHU

42

最大连续功率(W

270

最大管电流(mA

11/50


产品说明书