产品中心

产品中心

万森是一家专业开发、设计和生产X射线管及配套设备的高科技企业

基本参数

主要参数

 

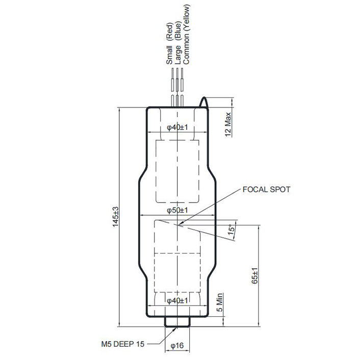
型号

XD13-0.6/1.5-110

焦点标称值(mm

0.6/1.5

额定功率W

725/4400 (0.1s)

额定电压kV

110

靶角(°)

15

阳极热容(kHU

42

最大连续功率(W

230

最大管电流(mA

7.5/50

 


产品说明书