产品中心

产品中心

万森是一家专业开发、设计和生产X射线管及配套设备的高科技企业

基本参数

主要参数

 

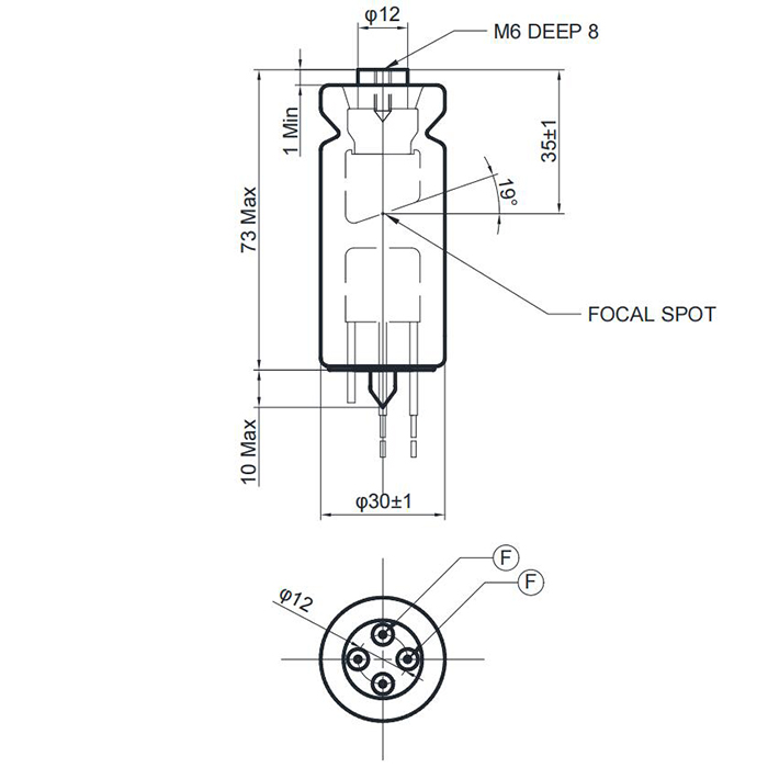
型号

XD12-0.8-70

焦点标称值(mm

0.8

额定功率W

560(1s)

额定电压kV

70

靶角(°)

19

阳极热容(kHU

9.8

最大连续功率(W

110

最大管电流(mA

11


产品说明书