产品中心

产品中心

万森是一家专业开发、设计和生产X射线管及配套设备的高科技企业

基本参数

主要参数

 

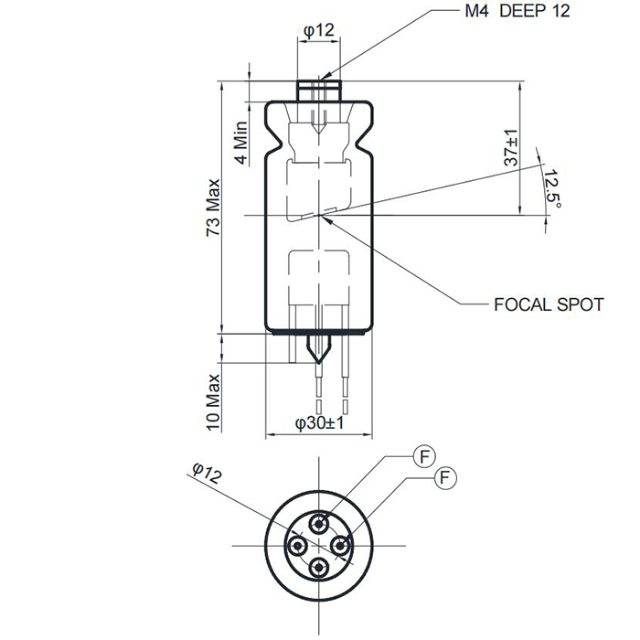
型号

XD11-0.4-70

焦点标称值(mm

0.4

额定功率W

430(1s)

额定电压kV

70

靶角(°)

12.5

阳极热容(kHU

6.3

最大连续功率(W

200

最大管电流(mA

12.5


产品说明书