产品中心

产品中心

万森是一家专业开发、设计和生产X射线管及配套设备的高科技企业

基本参数

主要参数

 

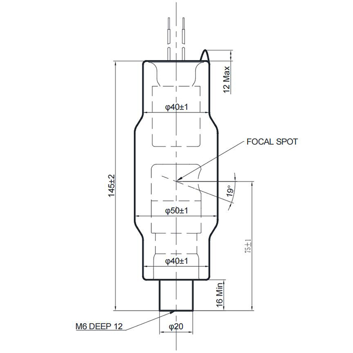
型号

XD9-2.2-110

焦点标称值(mm

2.2

额定功率W

4400  (0.1s)

额定电压kV

110

靶角(°)

19

阳极热容(kHU

49

最大连续功率(W

225

最大管电流(mA

84


产品说明书