产品中心

产品中心

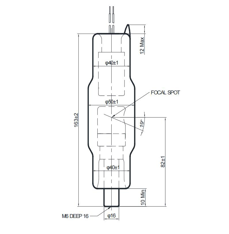
万森是一家专业开发、设计和生产X射线管及配套设备的高科技企业

基本参数

主要参数

 

型号

XD1-2.3-110

焦点标称值(mm

2.3

额定功率W

4400 (0.1s)

额定电压kV

110

靶角(°)

19

阳极热容(kHU

42

最大连续功率(W

235

最大管电流(mA

48


产品说明书