产品中心

产品中心

是一家专业开发、设计和生产X射线管及配套设备的高科技企业

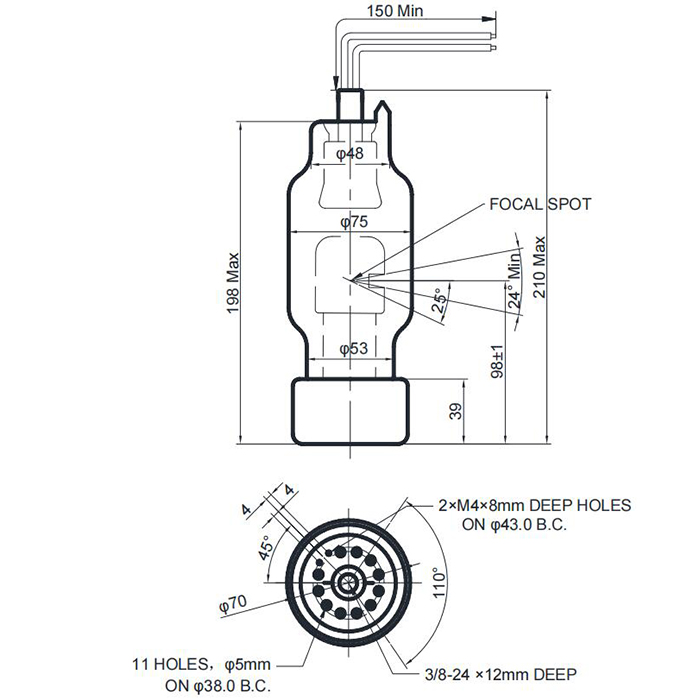
基本参数

主要参数

 

焦点标称值

0.8mm

额定功率

500W

额定电压

200kV

管电流

2.5mA

灯丝电压

2.6±0.2V

灯丝电流

3.0±0.2A

固有滤过

0.8Be,1.5±0.15玻璃

射线束角度

24°*11

阳极靶角

25°

靶面材料

散热器材料


产品型号